Produkter
Præcisions schweizisk bearbejdning
  • Præcisions schweizisk bearbejdningPræcisions schweizisk bearbejdning
  • Præcisions schweizisk bearbejdningPræcisions schweizisk bearbejdning
  • Præcisions schweizisk bearbejdningPræcisions schweizisk bearbejdning
  • Præcisions schweizisk bearbejdningPræcisions schweizisk bearbejdning

Præcisions schweizisk bearbejdning

Sanluo Precision er en førende producent og leverandør af præcisions schweizisk bearbejdning i Kina, med dyb teknisk akkumulering i højpræcision schweizisk type glidende hovedbearbejdning, hvilket giver kunderne schweiziske bearbejdningstjenester på mikronniveau. Vi tilbyder professionelle tilpassede schweiziske bearbejdningstjenester til rumfart, medicinsk implantation, optiske instrumenter, avanceret elektronik og andre områder, der understøtter tilpasningen af ​​komplekse og vanskelige dele. Vi er klar over fremstillingen af ​​små dele med ultrahøj præcision, der fuldt ud opfylder de strenge krav til avanceret fremstilling til præcis bearbejdning af schweizisk type.

Præcisionsbearbejdningskapacitet

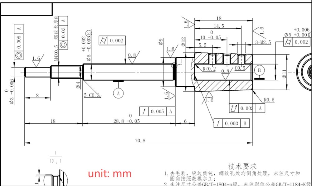
Vores forarbejdningsanlæg har nået topniveauet i branchen med hensyn til præcisionskontrol af præcisionsbearbejdning i Schweiz. Dimensionsnøjagtighed: diametertolerance ±0,002 mm, længdetolerance ±0,005 mm, trinhøjdetolerance ±0,008 mm, pasnøjagtighed H6/h5-grad. Geometrisk nøjagtighed: rundhed 0,003 mm, cylindricitet 0,005 mm, koncentricitet 0,005 mm, vinkelrethed 0,008 mm, udløb 0,01 mm. Overfladekvalitet: overfladeruhed Ra0,2~0,8μm, præcisionspolering Ra0,1μm eller deromkring, tæt på spejlfinish. Gentagelsesnøjagtighed: batchbehandlingsdimensionel konsistens ±0,003 mm, CPK≥2,0, seks sigma-kapacitet 6σ. Udstyrsnøjagtighed: spindelrotationsnøjagtighed 0,001 mm, styrebøsning 0,002 mm, positioneringsnøjagtighed ±0,001 mm, gentagen positionering ±0,0005 mm. Miljøkontrol: Konstant temperaturværksted med temperatur 20±0,5 ℃ og luftfugtighed 50±3% for at forhindre termisk deformation og sikre præcision.


Præcisions schweizisk bearbejdningsstation nøjagtighed

Dimensionsnøjagtighed

OD

ID

T (C)

DP

DA

enhed:±/mm

0.002

0.002

0.005

0.002

0.0001

Geometrisk nøjagtighed

Rundhed

Koaksialitet

Ligehed

Cylindricitet

Cirkulær udløb

enhed:±/mm

0.002

0.003

0.002

0.003

0.002

Produktionskapacitet

1~999999 stk

1~999999 stk

1~999999 stk

1~999999 stk

1~999999 stk

Produktionscyklus

3-20 dage

3-20 dage

3-20 dage

3-20 dage

3-20 dage


Præcisionsudstyrsteknologi

Som en professionel producent af schweizisk præcisionsbearbejdning har Sanluo Precision avanceret udstyr. Styrebøsningssystem: Styrebøsning med høj præcision, indvendig hultolerance ±0,005 mm, wolframcarbidmateriale, god slidstyrke, lang levetid, hvilket sikrer bearbejdningsnøjagtighed. Spindelsystem: hydrostatiske lejer eller keramiske kuglelejer, rotationsnøjagtighed 0,001 mm, højhastighedsdrift uden vibrationer, temperaturkompensation, automatisk kompensation af spindeltermisk forlængelse, stabil nøjagtighed. Detektionssystem: lasersonde on-line detektion, målenøjagtighed ±0,001 mm, automatisk kompensation, lukket sløjfe kontrol; laserværktøjsindstiller, præcis måling af værktøjslængde, hvilket sikrer ensartethed. Vi leverer professionelle tilpassede schweiziske bearbejdningstjenester til globale kunder.


Udstyrs tekniske parametre

Parameterkategori

Parameter detaljer

Udstyrsmodel

MultiSwiss 6X16

Mærke

Tornos

Kernepositionering

Effektiv masseproduktion af komplekse smådele

Antal økser og spindler

6 spindler + 1 valgfri bagspindel

Bearbejdningskapacitet

Maksimal bearbejdningsdiameter 16 mm

Spindel system

Hver spindel styrer uafhængigt hastighed, indeksering og C-aksepositionering; valgfri nederste spindel med maksimal hastighed 6000 r/min

Værktøjssystem

Hver station kan rumme op til 4 værktøjer, samlet kapacitet op til 18

CNC system

Tornos TBDECO eller TISIS ISO programmeringssoftware

Kerne fordele

Multi-spindel parallel bearbejdning, produktionseffektivitet flere gange højere end en-akset drejebænke; valgfri Y-akse version

Typiske applikationer

præcisions schweiziske bearbejdningsdele mv


Parameterkategori

Parameter detaljer

Udstyrsmodel

SB-serien

Kernepositionering

Multi-spindel effektiv behandling af små dele

Antal økser og spindler

3-akset, 4-spindel

Bearbejdningskapacitet

Bearbejdningsdiameter 16 mm eller 20 mm

Spindel system

Spindelhastighed 6.000 - 10.000 rpm, standardeffekt 1 kW

tårn system

Skråtstillet svalehale styreskinnestruktur for at forbedre tårnets stivhed, 4 typer tårne ​​valgfri

Nøglefunktion

Spindel standard udstyret med C-akse styring

Kerne fordele

Diversificeret forarbejdning ved at ændre værktøjskombinationer, velegnet til masseproduktion af små dele

Typiske applikationer

præcisions schweiziske bearbejdningsdele mv


Precision Swiss Machining

Precision Swiss MachiningPrecision Swiss Machining

Precision Swiss MachiningPrecision Swiss Machining


Hot Tags: Præcisions schweizisk bearbejdning, producent, tilpasset
Send forespørgsel
Kontaktoplysninger
For forespørgsler om vores produkter eller prisliste, bedes du efterlade din e-mail til os, og vi vil kontakte os inden for 24 timer.
X
Vi bruger cookies til at tilbyde dig en bedre browsingoplevelse, analysere trafik på webstedet og tilpasse indhold. Ved at bruge denne side accepterer du vores brug af cookies. Privatlivspolitik
Afvise Acceptere